Description
TBBCI1-300K420 Snap-On Bulk Current Injection Probe
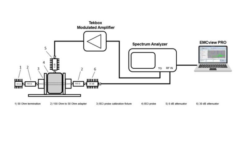
The TBBCI1-300K420-HV snap-on Bulk Current Injection probe can be used up to 400 MHz.
The BCI probe can be used for ISO11452-4 BCI testing, GJB 151B, CS114 testing for MILSTD 461G and DO160 section 20 testing. The probe also complies with DO-160 Section 22, the pulse-induced damped sinusoidal test for 5 kV pulse injection.
The insertion loss is 5 dB for most of its bandwidth. The probe is individually characterised and usable in the frequency range 10 kHz – 450 MHz. The probe can be used to inject severity levels I (60mA), II (100mA, III (150mA), IV (200mA) and customer-specific severity level V up to 350 mA.
The probe can also be used for RF current monitoring applications.
The aperture of the RF current monitoring probe is 27 mm. The typical insertion loss is 5 dB, and the typical transfer impedance is 26 dB Ohm.

































































Reviews
There are no reviews yet.