Description
Siglent SNA5032A Vector Network Analyser
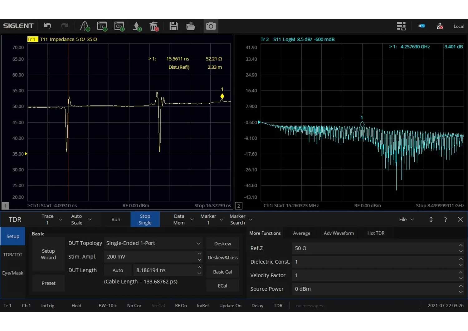
The SNA5022A is a Vector Network Analyser with a Frequency Range up to 26.5GHz. The SIGLENT SNA5000A series of Vector Network Analysers have a frequency range of 100kHz to 26.5GHz, which support 2 ports scattering-parameter, differential-parameter, and time-domain parameter measurements. The SNA5000A series of VNAs are effective instrumentation for determining the Q-factor, bandwidth and insertion loss of a filter, They feature impedance conversion, movement of measurement plane, limit testing, ripple test, fixture simulation and adapter removal/insertion adjustments. The VNAs have five sweep types: Linear-Frequency mode, Log-Frequency mode, Power-Sweep mode, CW-Time mode and Segment-Sweep mode. The SNA5000A series VNAs also support scattering-parameter correction of SOLT, SOLR, TRL, Response and Enhanced Response for increased flexibility in R&D and manufacturing applications.
Features:
- Frequency Range: 100kHz – 26.5GHz
- Ports: 2
- Frequency Resolution: 1Hz
- Level Resolution: 0.05dB
- Range of IFBW: 10Hz ~ 3MHz
- Setting Range of Output Level: -55dBm ~ +10dBm
- Dynamic Range: 125dB
- Bias-Tees: Standard
- Interface: LAN, USB Device, USB Host (USB-GPIB)
- Remote Control: SCPI/LabView/IVI based on USB-TMC/VXI-11/Socket/Telnet/WebServer
- Display: 12.1-inch Touch Screen
- Video Output: HDMI
- Types of Calibration: Response calibration, Enhanced Response calibration, Full-one port calibration, Full-two port calibration, Full-three port calibration, Full-four port calibration, TRL calibration
- Types of Measurement: Scattering-parameter measurement, differential-parameter measurement, receiver measurement, time-domain parameter analysis, limit test, ripple test, impedance conversion, fixture simulation, adapter removal/insertion, enhanced time-domain parameter analysis(TDR)
Siglent SNA5000A Vector Network Analyser Comparison Table
| Model | Frequency Range | Ports | Frequency Resolution | Range of IFBW | Dynamic Range | Output Level Range |
|---|---|---|---|---|---|---|
| SNA5002A | 9kHz – 4.5GHz | 2 | 1Hz | 10Hz ~ 3MHz | 125dB | -55dBm ~ +10dBm |
| SNA5004A | 9kHz – 4.5GHz | 4 | 1Hz | 10Hz ~ 3MHz | 125dB | -55dBm ~ +10dBm |
| SNA5012A | 9kHz – 8.5GHz | 2 | 1Hz | 10Hz ~ 3MHz | 125dB | -55dBm ~ +10dBm |
| SNA5014A | 9kHz – 8.5GHz | 4 | 1Hz | 10Hz ~ 3MHz | 125dB | -55dBm ~ +10dBm |
| SNA5022A | 100kHz – 13.5GHz | 2 | 1Hz | 10Hz ~ 3MHz | 125dB | -55dBm ~ +10dBm |
| SNA5032A | 100kHz – 26.5GHz | 4 | 1Hz | 10Hz ~ 3MHz | 125dB | -55dBm ~ +10dBm |

















































































